Hvad er et desorptionselektrolytisk system, og hvorfor er det afgørende for moderne guldudvinding

2026-04-21 - Efterlad mig en besked

DeDesorptionselektrolytisk systemer en afgørende teknologi i moderne guldudvinding, især i carbon-in-pulp (CIP) og carbon-in-leach (CIL) processer. Denne blog udforsker, hvordan systemet fungerer, dets komponenter, fordele, og hvorfor det er blevet en standard inden for effektiv guldgenvinding. Vi fremhæver også, hvordan virksomheder kan lideEPISKdriver innovation på dette område. Ved udgangen vil du have en omfattende forståelse af, hvordan dette system øger produktiviteten, reducerer omkostningerne og forbedrer gendannelsesraterne.

Desorption Electrolytic System

Indholdsfortegnelse


Hvad er et desorptionselektrolytisk system

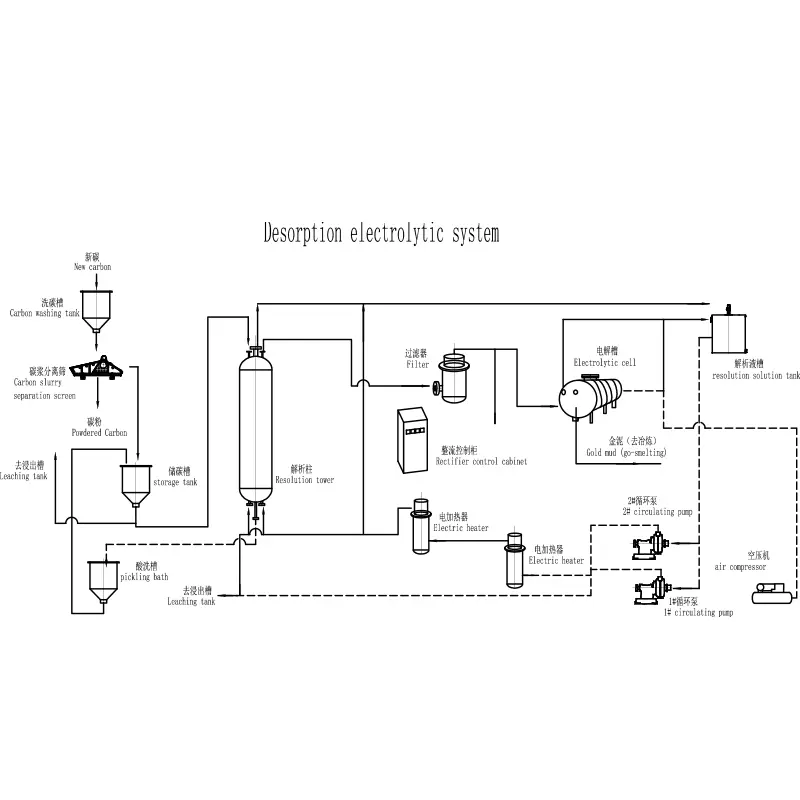
A Desorptionselektrolytisk systemer et avanceret guldgenvindingssystem, der bruges til at udvinde guld fra aktivt kul. Det er almindeligt anvendt i minedrift, hvor guld absorberes på kulstofpartikler under udvaskningsprocessen.

  • Desorption: Fjerner guld fra kulstof ved hjælp af højtemperatur- og højtryksopløsninger
  • Elektrolyse: Genvinder guld fra opløsningen på katoder
  • Lukket sløjfesystem: Sikrer effektivitet og minimalt tab

Dette system er afgørende for at forbedre genvindingseffektiviteten og reducere driftsomkostningerne, hvilket gør det til en kernekomponent i moderne guldforarbejdningsanlæg.


Hvordan virker et desorptionselektrolytisk system

Arbejdsprincippet for enDesorptionselektrolytisk systeminvolverer to hovedfaser:

  1. Desorptionsstadie:Guldfyldt kulstof behandles med en varm alkalisk cyanidopløsning, der frigiver guldioner.
  2. Elektrolysestadie:Den guldrige opløsning passerer gennem en elektrolysecelle, hvor guld aflejres på ståluldskatoder.

Processen sikrer høj effektivitet og giver mulighed for kontinuerlig drift, hvorfor systemer fra virksomheder som f.eksEPISKer bredt udbredt i industrielle applikationer.


Systemets vigtigste komponenter

Komponent Fungere
Desorptionssøjle Indeholder aktivt kul og letter guldfjernelse
Elektrolytisk celle Genvinder guld gennem elektrolyse
Varmeveksler Opretholder den nødvendige temperatur
Filtersystem Fjerner urenheder fra opløsningen
Kontrolsystem Automatiserer drift og overvåger parametre

Hver komponent spiller en afgørende rolle for at sikre, at systemet fungerer effektivt og konsekvent.


Tekniske fordele og funktioner

  • Høj guldgenvindingsrate (op til 98 %)
  • Lavt energiforbrug
  • Automatiseret drift for reducerede arbejdsomkostninger
  • Kompakt design for pladseffektivitet
  • Miljøvenlig med minimale emissioner

Producenter kan lideEPISKoptimerer løbende disse systemer for at imødekomme skiftende industrikrav, hvilket sikrer bedre ydeevne og pålidelighed.


Ansøgninger i guldbehandling

DeDesorptionselektrolytisk systemer meget brugt i:

  • Guldmineanlæg
  • CIP (Carbon-in-Pulp) operationer
  • CIL (Carbon-in-Leach) processer
  • Guldaffaldsgenvinding

Dens alsidighed gør den velegnet til både storstilet industriel minedrift og mindre operationer, der søger effektivitetsforbedringer.


Sammenligning med traditionelle metoder

Feature Desorptionselektrolytisk system Traditionelle metoder
Effektivitet Høj Moderat
Automatisering Fuldt automatiseret Manuel eller halvautomatisk
Koste Lavere langsigtede omkostninger Højere driftsomkostninger
Miljøpåvirkning Lav Højere

Det er klart, at det moderne system giver betydelige fordele i forhold til traditionelle guldgenvindingsteknikker.


Udvælgelsesvejledning for købere

Når du vælger enDesorptionselektrolytisk system, overvej følgende faktorer:

  • Bearbejdningskapacitet
  • Automatiseringsniveau
  • Energieffektivitet
  • Producentens omdømme (f.eks. EPIC)
  • Support efter salg

Valg af det rigtige system sikrer langsigtet operationel succes og maksimeret investeringsafkast.


Tips til vedligeholdelse og drift

  • Efterse regelmæssigt rørledninger og ventiler
  • Overvåg temperatur- og trykniveauer
  • Rengør elektrolyseceller med jævne mellemrum
  • Udskift slidte komponenter omgående
  • Følg producentens retningslinjer nøje

Korrekt vedligeholdelse forlænger systemets levetid betydeligt og sikrer ensartet ydeevne.


FAQ

1. Hvad er hovedformålet med et desorptionselektrolytisk system?

Dens hovedformål er at udvinde og genvinde guld fra aktivt kul effektivt.

2. Hvor effektivt er systemet?

De fleste systemer opnår en guldgenvindingsgrad på over 95 %, afhængigt af driftsforholdene.

3. Er systemet miljøvenligt?

Ja, moderne systemer er designet til at minimere emissioner og reducere kemikalieaffald.

4. Kan det tilpasses?

Ja, virksomheder som EPIC tilbyder tilpassede løsninger baseret på behandlingskrav.

5. Hvilke brancher bruger dette system?

Primært guldmineindustrien, men også inden for genvinding af ædle metaller.


Konklusion

DeDesorptionselektrolytisk systemrepræsenterer et gennembrud inden for guldgenvindingsteknologi, der tilbyder uovertruffen effektivitet, pålidelighed og miljømæssig ydeevne. Med løbende fremskridt fra industriledere somEPISK, bliver dette system mere og mere vigtigt for moderne minedrift. Hvis du ønsker at optimere din guldudvindingsproces og forbedre rentabiliteten, er investering i et system af høj kvalitet et smart valg.Kontakt osi dag for at lære mere om, hvordan vi kan levere skræddersyede løsninger til dine behov.

Send forespørgsel

X
Vi bruger cookies til at tilbyde dig en bedre browsingoplevelse, analysere trafik på webstedet og tilpasse indhold. Ved at bruge denne side accepterer du vores brug af cookies. Privatlivspolitik