English
Español 
Português 
русский 
Français 
日本語 
Deutsch 
tiếng Việt 
Italiano 
Nederlands 
ภาษาไทย 
Polski 
한국어 
Svenska 
magyar 
Malay 
বাংলা ভাষার 
Dansk 
Suomi 
हिन्दी 
Pilipino 
Türkçe 
Gaeilge 
العربية 
Indonesia 
Norsk 
تمل 
český 
ελληνικά 
український 
Javanese 
فارسی 
தமிழ் 
తెలుగు 
नेपाली 
Burmese 
български 
ລາວ 
Latine 
Қазақша 
Euskal 
Azərbaycan 
Slovenský jazyk 
Македонски 
Lietuvos 
Eesti Keel 
Română 
Slovenski 
मराठी 
Srpski језик En Spiral Classifier er et uundværligt stykke udstyr, der er meget udbredt i minedrift, metallurgi, kemiske og mineralforarbejdningsindustrier. Det spiller en afgørende rolle i klassificeringen, adskillelsen og afvandingen af fine materialer baseret på partikelstørrelse og vægtfylde. Dens spiralde......
Læs mereEn sandvaskemaskine er et kritisk stykke udstyr, der i vid udstrækning bruges til minedrift, stenbrud og byggebrancher. Det hjælper med at fjerne urenheder såsom silt, støv og ler fra sand og grus, hvilket sikrer et renere og slutprodukt af højere kvalitet. Princippet er enkelt, men alligevel effekt......
Læs mereJernfjernelse spiller en afgørende rolle i at sikre rent vand og effektiv mineralforarbejdning på tværs af flere industrier. Denne artikel udforsker videnskab, design og fordele ved udstyr til fjernelse af jern, der forklarer, hvordan det fungerer, hvorfor det betyder noget, og hvad der gør Qingdao ......
Læs mereI moderne industrielle operationer spiller effektiviteten af materialehåndtering en kritisk rolle i produktivitet og omkostningsstyring. Transportudstyr er blevet en hjørnesten i fabrikker, minedrift og håndtering af bulkmateriale. Som en person, der har arbejdet tæt med produktionslinjer, spørger......
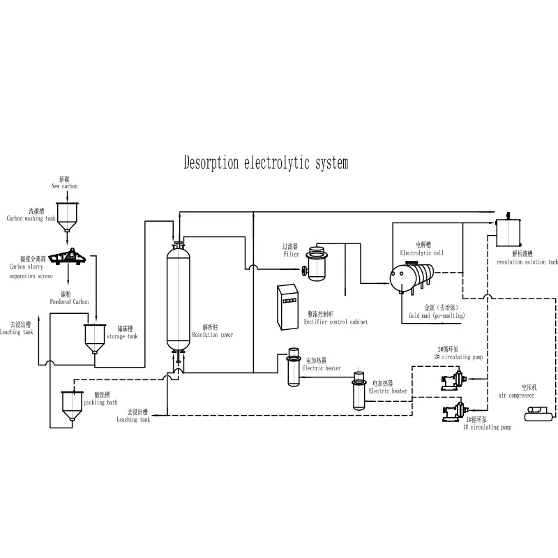
Læs mereCyanideringsudstyr er blevet en uundværlig løsning i minedrift og metallurgiske industrier på grund af dets effektivitet, holdbarhed og evne til at maksimere genvinding af værdifulde metaller. I dagens meget konkurrencedygtige marked søger virksomheder konstant pålidelige løsninger, der reducerer om......
Læs mereI en verden af minedrift, kemisk behandling og metallurgi er effektivitet alt. Uanset om du udvask, blander eller forbereder opslæmning til nedstrøms processer, bestemmer det rigtige udstyr både kvaliteten af resultaterne og de langsigtede omkostningsbesparelser. Et sådant uundværligt stykke mas......
Læs mere